HA(QA)、HP(QP)系列隔离开关主要用于有高短路电流的配电 电路和电动机电路中,作为手动不频繁操作的开关、隔离开关和应急开关,并作电路保护之用。开关可直接开闭电动机等高电感负载,特别适用于抽屉式开关柜的成套装置中。
本系列隔离开关由刀型静触头、滚动动触头及灭弧装置组成的接触系统 均组装在由耐弧工程塑料制成的封闭底座内,能达到零飞弧。操作机构由具有 弹簧储能的连杆传动机构构成,靠弹簧力完成开关的分、合,使开关动作无关 人力操作。手柄由操作手柄和传动轴等构成,属旋转操作方式。当手柄旋转操 作时,使操作机构弹簧储能,靠储能的弹簧力释放带动动触头与静触头形成 合、分两种状态,从而达到开关分、合主电路的目的。
本开关的上部可装一个或二个辅助开关,每个辅助开关有一对电器上分 开的常开触头和常闭触头,能使控制回路明确指示开关主电路的通断情况。
Series HA(QA)、 HP(QP) switch-disconnector are mainly applied in the distribution circuits and motor circuits with high short-circuit currents as the power switches. As the switch handle is in rotary operation, they are especially suitable for installation and application in drawer type switch cabinets. Technical performances confirm to standards IEC60947.3 and GB14048.3.This series switches are of closed structure design. The contact system is composed of static knife contacts, moving rolling contacts and arc quenching sets that are all fitted in the sealed case made of arc resistant engineering plastic and zero arc flash out is achieved. The switching mach-anism is of reliable spring energy stored independent manual operation style.On the upper part of the. switch utmost two auxiliary switches may be quipped in, each having a set of electrical separated normal open and normal closed contacts.
产品详情
主要技术指标

型号及其含义

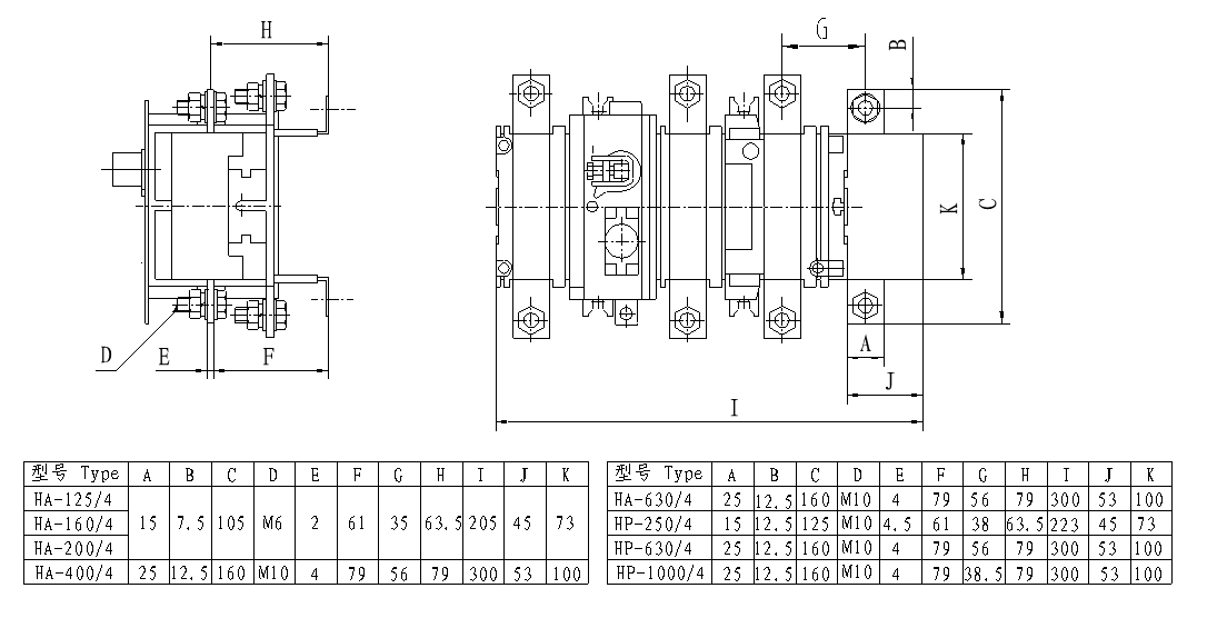
外形及安装尺寸








